曝光時間計算公式為:T=1.1RT*CT。本電路提供參數的延時時間約為1秒~2分鐘,可由電位器RP調整和設置。
電路中的繼電器必需選用吸合電流不應大于30mA的產品,并應根據負載(HL)的容量大小選擇繼電器觸點容量。
單電源變雙電源電路
附圖電路中,時基電路555接成無穩態電路,3腳輸出頻率為20KHz、占空比為1:1的方波。3腳為高電平時,C4被充電;低電平時,C3被充電。由于VD1、VD2的存在,C3、C4在電路中只充電不放電,充電最大值為EC,將B端接地,在A、C兩端就得到+/-EC的雙電源。本電路輸出電流超過50mA。

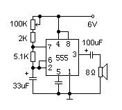
簡易催眠器
時基電路555構成一個極低頻振蕩器,輸出一個個短的脈沖,使揚聲器發出類似雨滴的聲音(見附圖)。揚聲器采用2英寸、8歐姆小型動圈式。雨滴聲的速度可以通過100K電位器來調節到合適的程度。如果在電源端增加一簡單的定時開關,則可以在使用者進入夢鄉后及時切斷電源。

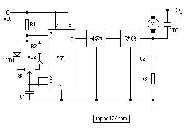
直流電機調速控制電路
這是一個占空比可調的脈沖振蕩器。電機M是用它的輸出脈沖驅動的,脈沖占空比越大,電機電驅電流就越小,轉速減慢;脈沖占空比越小,電機電驅電流就越大,轉速加快。因此調節電位器RP的數值可以調整電機的速度。如電極電驅電流不大于200mA時,可用CB555直接驅動;如電流大于200mA,應增加驅動級和功放級。

圖中VD3是續流二極管。在功放管截止期間為電驅電流提供通路,既保證電驅電流的連續性,又防止電驅線圈的自感反電動勢損壞功放管。電容C2和電阻R3是補償網絡,它可使負載呈電阻性。整個電路的脈沖頻率選在3~5千赫之間。頻率太低電機會抖動,太高時因占空比范圍小使電機調速范圍減小。
用555制作的D類放大器
我們知道D類放大器具有體積小、效率高的特點。這里介紹一個用555電路制作的簡易D類放大器。它是利用555電路構成一個可控的多諧振蕩器,音頻信號輸入到控制端得到調寬脈沖信號(如圖),基本能滿足一般的聽音要求。

由IC 555和R1、R2、C1等組成100KHz可控多諧振蕩器,占空比為50%,控制端5腳輸入音頻信號,3腳便得到脈寬與輸入信號幅值成正比的脈沖信號,經L、C3接調、濾波后推動揚聲器。
風扇周波調速電路
夏天要來了,電風扇又得派上用場。這里介紹一個電風扇模擬陣風周波調速電路,可以為將我們家里的老式風扇增加一個實用功能,也算是一個迎接夏天到來的準備吧。下面介紹其工作原理。

電路見圖1a。電路中NE555接成占空比可調的方波發生器,調節RW可改變占空比。在NE555的3腳輸出高電平期間,過零通斷型光電耦合器MOC3061初級得到約10mA正向工作電流,使內部硅化鎵紅外線發射二極管發射紅外光,將過零檢測器中光敏雙向開關于市電過零時導通,接通電風扇電機電源,風扇運轉送風。在NE555的3腳輸出低電平期間,雙向開關關斷,風扇停轉。
MOC3061本身具有一定驅動能力,可不加功率驅動元件而直接利用MOC3061的內部雙向開關來控制電風扇電機的運轉。RW為占空比調節電位器,亦即電風扇單位時間內(本電路數據約為20秒)送風時間的調節,改變C2的取值或RW的取值可改變控制周期。
圖1b電路為MOC3061的典型功率擴展電路,在控制功率較大的電機時,應考慮使用功率擴展電路。制作時,可參考圖示參數選擇器件。由于電源采用電容壓降方式,請自制時注意安全,人體不能直接觸摸電路板。
電熱毯溫控器
一般電熱毯有高溫、低溫兩檔。使用時,撥在高溫檔,入睡后總被熱醒;撥在低溫檔,有時醒來會覺得溫度不夠。這里介紹一種電熱毯溫控器,它可以把電熱毯的溫度控制在一個合適的范圍。

工作原理:
電路如圖所示。圖中IC為NE555時基電路。RP3為溫控調節電位器,其滑動臂電位決定IC的觸發電位V2和閥電位Vf,且V5=Vf=2Vz。220V交流電壓經C1、R1限流降壓,D1、D2整流、C2濾波,DW穩壓后,獲得9V左右的電壓供IC用。室溫下接通電源,因已調V2Vz,V6≥Vf時,IC翻轉,3腳變為低電平,BCR截止,電熱絲停止發熱,溫度開始逐漸下降,BG1的ICEO隨之逐漸減小,V2、V6降低。當V6元件選擇:
BG1可選用3AX、3AG等PNP型鍺管;BCR用400V以上的小型雙向可控硅,其它元件按圖標選用。
容-源-電-子-網-為你提供技術支持本文地址:http://m.zskn.com.cn/ic/15500395653136.shtml
本文標簽:
猜你感興趣:
路燈定時器怎么調時間?
關鍵詞: 所屬欄目:開關電源電路圖
發光字定時器怎么調?
關鍵詞: 所屬欄目:開關電源電路圖
220V遠程開關定時器怎么控制380V用電器?
220V遠程開關定時器想要控制380V用電器,不能直接接線,需要添加交流接觸器,用220V遠程開關定時器控制交流接觸器,交流接觸器控制380V用電器。遠程定時開關220V遠程定時開
關鍵詞: 所屬欄目:開關電源電路圖
遠程開關定時器怎么接線?
遠程開關定時器:4G網絡信號,遠程控制不限距離,無需下載APP,手機小程序實現遠距離對開關的控制,網絡自動校時,可設置自動定時開、關,也可以本地時鐘定時,設置好定時在
關鍵詞: 所屬欄目:開關電源電路圖
使用開關定時器有哪些注意事項?
關鍵詞: 所屬欄目:開關電源電路圖
微電腦時控開關定時器怎么設置定時時間?
關鍵詞: 所屬欄目:開關電源電路圖
PW1555應用電路-代理商
PW1555是一個可編程的限流開關,具有輸入電壓范圍選擇和輸出電壓鉗位。集成保護N溝FET的極低RDS(ON)有助于減少正常運行時的功率損耗。可編程軟啟動時間控制轉換率,在啟動
關鍵詞: 所屬欄目:元器件知識
使用555制作全自動電冰箱保護器電路
使用555制作全自動電冰箱保護器電路
當交流電網電壓超過正常值240V時,RP1取樣電壓增高,VD10擊穿,VT導通,其集電極輸出低電平,VD7導通,使IC的觸發端2腳處于低電平
關鍵詞: 所屬欄目:其他文章
NE555制作過壓過流保護電路及原理圖
NE555制作過壓過流保護電路及原理圖 當電源供給電壓或負載吸取的電流太大時,下圖電路可斷開負載給出故障指示。正常工作時,Tr1和Tr2均截至,555復位,555中的放電晶體管
關鍵詞:過壓保護電路過流保護電路 所屬欄目:電子基礎
藍牙定時器怎么連接交流接觸器?
藍牙定時開關控制總功率為660W,所以當控制總功率>660W的時候,需要添加交流接觸器,以免開關被燒壞。
關鍵詞:電機控制 所屬欄目:開關電源電路圖
555逆變驅動電路圖-最簡單12v轉220v逆變器制作
555逆變驅動電路圖-最簡單12v轉220v逆變器制作
關鍵詞: 所屬欄目:逆變器電路圖
ne555+13005逆變電路圖
ne555+13005逆變電路圖
逆變器電路圖有很多種,采用不同的控制方式可以得到不同的電路及輸出功率及頻率,本文介紹的是用13005逆變電路圖,13005主要作用是功率開關管,1
關鍵詞: 所屬欄目:電源電路
4060定時器制作
這是CMOS CD4060的電子計時器,它是CMOS 14級紋波傳送二進制計數器/分頻器和振蕩器。輸出QN是計數器的第n級,代表2 Ñ,例如Q4是2 4 = 16(1 / 16的時鐘頻率)和Q14是
關鍵詞: 所屬欄目:電子基礎
定時器電路
定時器是一個多任務定時提醒軟件,安裝于電腦上。它全面支持WINDOWS 9X/ME/NT/2K/XP按時執行程序、播放聲音、關機、待機、撥號、斷開連接、關閉顯示器等等操作。具有多種設定任務的方法。支持SKIN,可以隨意更換
關鍵詞: 所屬欄目:音頻功放電路
LM393與NE555組成電池充電器電路
LM393與NE555組成電池充電器電路具有成本效益的鎳鎘電池充電器LM393的構造如圖所示,它具有以下特點:(1)恒定電流充電散布著大電流di放電時,恒流充電電流約為300mA,放電
關鍵詞: 所屬欄目:電源電路
555集成電路引腳圖管腳圖
555集成定時器是模擬功能和數字邏輯功能相結合的一種雙極型中規模集成器件。外加電阻、電容可以組成性能穩定而精確的多諧振蕩器、單穩電路、施密特觸發器等,應用十分廣泛。555集成電路引腳圖管腳圖 :
關鍵詞: 所屬欄目:音頻功放電路
555制作汽車音響揚聲器保護電路原理圖
揚聲器保護電路如圖1所示。主要由中點電位檢測電路、延時電路及繼電器等組成。電路工作過程是: 在接通音響電源的瞬間,因電容C3兩端電壓不能突變,可視為短路,則時基電路555的②、⑥腳電位高于2/3 Vcc,故
關鍵詞: 所屬欄目:音頻功放電路
NE555與TDA1521共同組成的D類數字功放電路
NE555時基IC被接成振蕩頻率120KHz、占空比50%的方波振蕩器。由于IC都是工作于開關狀態,因而可以高效率地輸出大功率。音頻信號由5腳輸入時,3腳的輸出信號占空比就會隨著輸入音頻信號的幅值高低而作線性
關鍵詞: 所屬欄目:音頻功放電路
自制一款窗簾定時器裝置
此裝置的電路如附圖所示。 一、工作原理 1.當定時器1定時開啟,電機開啟、窗簾關閉、窗簾到頭,行程開關1常閉點斷開,而常開點關閉,下一組窗簾盒開始關閉,如此可
關鍵詞: 所屬欄目:電子制作
傳感器激活繼電器脈沖
一個傳感器打開Q1來激活低頻555振蕩器,這會脈沖電燈I1。傳感器對于改變光線或者溫度是很敏感的。 :
關鍵詞: 所屬欄目:傳感器技術