
圖1 系統框圖

圖2 高通濾波電路
跟隨器起隔離水聽器和減小后端電路影響的作用。放大器與分壓通過可控增益放大來實現,也可通過開關來實現測量范圍的轉換。帶通濾波為測量特定頻率的超聲波聲壓的必需。峰值檢測為測量和計算聲壓的原始數據,頻率為提供頻率數據和進行聲壓計算的頻率校正。
帶通濾波電路
考慮系統對頻率范圍的不平度有較高的要求,采用巴特沃斯濾波器進行設計。帶通由高通和低通級聯實現。
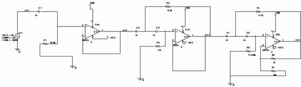
考慮具體的要求截至頻率定為10kHz。取高通的階數為5,低通的階數為6。圖2是高通濾波電路。
峰值檢波電路
圖3是用集成放大器來實現峰值檢波的電路。
過零檢測電路
過零檢測電路在輸出需考慮與MSP430的接口問題,因而增加了接口轉換電路(圖4)。

圖3 峰值檢波電路

圖4 過零檢測電路
系統接口
本系統用TI公司MSP430微控制器的P6端口的12位A/D轉換進行峰值測量,利用P1口的定時捕獲/比較進行頻率測量。在MSP430硬件的設計上提供晶振、復位、時鐘電路以及JTAG,完成整體設計。根據硬件,設計相關的軟件進行聲壓測量。
結語
本聲壓計的設計采用了功耗極低的MSP430微控制器,用簡單和便宜的集成運放和比較器實現較為復雜的超聲波的信號調理電路設計,滿足了設 計 的 要 求。
本文地址:http://m.zskn.com.cn/dz/26/9926205807.shtml
本文標簽:
猜你感興趣:
超聲波傳感器的原理和應用
超聲波傳感器的原理和應用本文就應用聲波進行“檢測”介紹超聲波傳感器的功能示例。檢測距離距離可以通過測量超聲波反射時間來計算。由于不受顏色的影響,因此透
超聲波霧化器 一
本例介紹的超聲波霧化器,與山水盆景配套使用時能產生云霧綴繞的動感;用于較干燥的環境對空氣加濕時能清新空氣,有利于人的呼吸;在水中加大適量的消毒溶劑后,霧化后可對居住環境消毒,預防疾病的發生。 電路
超聲波霧化器 二
本例介紹的超聲波霧化器,可用來制作加濕器或霧化盆景,既可美化居室環境,又能調節室內空氣濕度。 電路工作原理 該超聲波霧化器電路由電源電路、控制電路、缺水檢測報警電路和超聲波振蕩器組成,如圖3-1
超聲波加濕器的工作原理
在空氣非常干燥的時候,我們的皮膚就會出現龜裂的現象,這時就需要增加空氣的濕潤度,保持一個濕潤的環境來進行改善,加濕器就是最佳的選擇。超聲波加濕器主要是采用高頻的震蕩,再通過霧化片的高頻震動使得加濕器中的水被拋離水面產生飄逸的水霧,達到空氣加濕的目的。一般加濕器都帶有軟化水濕度顯示的輔助功能,對于加濕器中的軟水器規定經過軟水器的水,水的硬度不能超過100mg/L,水的濕度被規定在30%—70%的范圍之內。
超聲波流量傳感器原理及設計
今天為大家介紹一項國家發明授權專利——一種超聲波流量傳感器。該專利由壽光市飛田電子有限公司申請,并于2018年1月9日獲得授權公告。內容說明本發明涉及檢測裝
超聲波霧化器電路圖(圖文)
本例介紹的超聲波霧化器,與山水盆景配套使用時能產生云霧綴繞的動感;用于較干燥的環境對空氣加濕時能清新空氣,有利于人的呼吸;在水中加大適量的消毒溶劑后,霧化后可對居住環境消毒,預防疾病的發生。 電
(C033)超聲波遙控開關的原理電路
無
超聲波驅蚊器的原理電路圖
無
超聲波發射-接收電路圖
無
簡單超聲波驅蚊蟲器電路圖
無
影響超聲波液位計工作的因素
無
如何設計便攜式超聲波水聲聲壓計
無