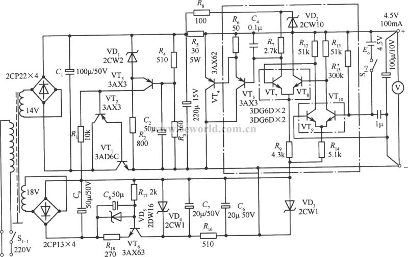
4.5V精密電源電路圖
電路是將市電220V電壓
變壓器變成14V,
電路
后,得到4.5V 100mA的輸出電壓。電路元器件的參數在電路中,本電路最大的特點
輸出電壓精度高,

本文地址:http://m.zskn.com.cn/dz/23/2010814214816.shtml
本文標簽:
猜你感興趣:
LA6350大功率開關穩壓電源電路圖
LA6350大功率開關穩壓電源電路圖 電路如圖所示,電路采用該芯片制作的輸出電流可達10A,輸出電壓在5-12V內可調的實用大功率開關型穩壓電源。其工作原理為:220V交流電源經
關鍵詞:可調穩壓電源開關穩壓電源 所屬欄目:開關電源電路圖
全自動交流穩壓電源電路圖
0-30V可調直流穩壓電源
0-30V可調直流穩壓電源
左側(輸入AC)是220伏(初級)18伏(次級)/ 3安培主電源變壓器的次級。來自其次級變壓器的18伏交流電壓由二極管D1,D2,D3和D4整流,這些二極管
關鍵詞: 所屬欄目:電源電路
12V開關直流穩壓電源電路圖(TWH8778應用電路)
本電路主要應用TWH8778作為控制芯片,首先給大家介紹一下TWH8778集成電路,TWH8778屬于高速集成電子開關,可用于各種自動控制電路。它外形簡單,外圍電路簡單,內部包含過熱
關鍵詞:高頻開關電源開關穩壓電源直流穩壓電源 所屬欄目:開關電源電路圖
三端7812集成穩壓電源電路
三端7812集成穩壓電源電路
三端集成穩壓電源主要的是使用方便,因為外圍元器件很少就可以達到想要的輸出電壓,適用于各種電源穩壓電路,三端7812集成穩壓電源電路的核心
關鍵詞:三端穩壓電路穩壓電源穩壓電路 所屬欄目:電源電路
USB口供電穩壓電源電路圖(圖文)
按USB接口標準,每臺電腦及其他帶有USB口電子設備都能外設提供500 mA的5V±5%供電。帶電源的USB集線器 也能提供這種供電能力。用USB端口可以為外部 電路 供電,在沒有其它 直流電源
關鍵詞:USB穩壓電源 所屬欄目:電路圖
幾款穩壓電源電路圖(圖文)
本文搜羅了穩壓電源、DCDC轉換電源、開關電源、充電電路、恒流源相關的經典電路資料,為工程師提供最新鮮的電路圖參考資料。 一、穩壓電源 1、3~25V電壓可調穩壓電路圖 此穩
關鍵詞:穩壓電源 所屬欄目:設計編程
串聯穩壓電源電路和典型應用電路圖(圖文)
在并聯穩壓電路中我們談到并聯穩壓電源有效率低、輸出電壓調節范圍小和穩定度不高這三個缺點。而串聯穩壓電源正好可以避免這些缺點,所以現在廣泛使用的一般都是串聯穩壓電源。 一
關鍵詞:穩壓電源串聯穩壓電源 所屬欄目:電路圖
擴流過壓保護5V穩壓電源電路圖
接通電源,電網電壓220V經變壓器T變壓,由橋式整流器QL整流、電容C3濾波,使輸出端得到5V的穩定電壓。W7805的最大輸出電流為1.5A,要想使輸出電流達到>1.5A,則要擴大輸出電流。這此,在W
關鍵詞:穩壓電源過壓保護電路 所屬欄目:電源電路
經典六款電路圖集錦(圖文)
本文搜羅了穩壓電源、DCDC轉換電源、開關電源、充電電路、恒流源相關的經典電路資料,為工程師提供最新鮮的電路圖參考資料,他是電子工程師的智慧背囊。
一、穩壓電源
1、3~
關鍵詞:穩壓電源 所屬欄目:電路圖
可調穩壓電源5-30V 1.5A電路圖
外部串聯旁路晶體管將500mA的78MG或79MG額定輸出提高到1.5A,以適用于實驗室可調電源。該電路的外部旁路晶體管無短路保護,但文章介紹了怎樣添加具有保護作用的晶體管來避免短路。 :
關鍵詞:可調穩壓電源穩壓電源 所屬欄目:電路圖
實用高壓直流穩壓電源電路圖
下面是 [實用高壓直流穩壓電源電路]的電路圖 實用高壓直流穩壓電源電路 在實際生產應用中,在許多場合都要求有長期穩定的高壓直流電源,并且有時希望輸出電壓是可凋的!愕
關鍵詞:直流穩壓電源 所屬欄目:電路圖
五款直流穩壓電源電路圖
電路圖一: 整個電路通過單片機(AT89C51)控制,P0口和DAC0832的數據口直接相連,DA的CS和WR1連接后接P26,WR2和XFER接地,讓DA工作在單緩沖方式下。DA的11腳接參考電壓,通過調節
關鍵詞:穩壓電源直流穩壓電源 所屬欄目:電路圖
用三端穩壓LM317制作的甲類功放
用穩壓集成功放制作的功率放大器,對電子愛好者來說,作為開拓思路的一種嘗試不無積極意義。該電路為純甲類工作,又用低噪聲管作電壓放大,所以THD,NF等指標都不錯,輸出功率可達到30W. 電路如圖所示,晶體
關鍵詞:三端穩壓電路穩壓電源穩壓集成電路功放集成電路 所屬欄目:音頻功放電路
0-30V穩壓電源電路圖
碳刷式穩壓電源安裝使用安全事項
7815三端穩壓電源電路圖
簡單實用的穩壓電源保護提示電路
L7805CV、LM317、LM337三端集成穩壓應用電路圖
7812大電流穩壓電源電路