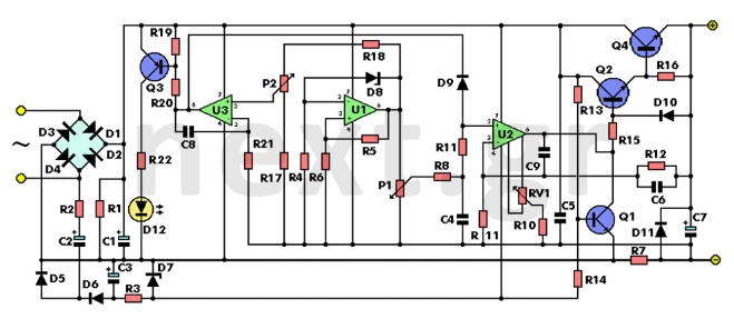
U1的輸出電壓會增加,直到D8開始運行,電路穩定為止,齊納二極管的參考電壓(5.6伏)顯示在R5的兩端。流過效應放大器的同相輸入的電流可以忽略不計,因此流過R5的所有電流也流過R6,因此U1的輸出電壓是二極管電壓的兩倍。
U2通過電阻R11和R12根據公式A = R11 + R12 / R11增加電壓,從而將電壓增加到大約20伏。RV1調整器和電阻器R10用于將輸出電壓限制設置為下降到零。
當電源工作并且負載連接到其輸出時,所有輸出電流都流經電阻R7。此時,U3的可逆輸入(-)的電位為0,并通過電阻R21極化,而U3的同相輸入(+)則被0-2伏的小電壓極化,具體取決于U3。轉子電位器P2的位置。假設電路此點的電壓為1伏,輸出電壓設置為幾伏。如果負載增加,則R7兩端的電壓將增加,因此U3將被激活,并將導致U2穿過D9通道,因此U2受電壓值及更高的電壓控制。
從此刻起,輸出電流限制電路開始工作,因為U3控制U2的操作,以使R7兩端的電壓降恒定。C8電容器提供了U3重新連接環路所需的穩定性。
只要電源正常工作并提供恒定電壓,LED D12就會熄滅。當電流超過預設值P2值時,LED點亮,恒壓源的電源為恒流源,同時改變輸出電壓以使該負載的電流保持恒定。
R19,R20定義了Q3的必要工作條件,該條件可檢測限流電路何時啟動并在那一刻運行,并且LED D12通過R22點亮,R22定義了LED的工作電流。但是,電流限制是由充當傳感器的R7進行的,而限制電路的電流值是由電位計P2設置的。因此,根據電位計P2的位置,在R7的兩端出現不同的電壓,并且該電壓被集成電路U1的內部基準電壓除以。
從D2,D4的結點到R2和D5,D6,C2,C3,R3產生U2,U3操作所需的負電壓,以便它們可以降至0伏。D7二極管穩定到U2和U3端子4的負電壓。
電阻器R4確保U1處的極性,電容器C4和C5從高頻釋放電路,這可能導致集成電路不穩定。
晶體管Q1保護電源免受電源ON-OFF開關閉合時引起的負壓降的影響,從而使U2的輸出保持低電平。
當電源正常工作時,電阻器R14切斷晶體管,并且以這種簡單的方式,電源對于實驗非常有用,因為它可以大幅度地切斷輸出電壓,而不必等到電容器卸載后再浪費時間。
最后,電壓通過R15饋送到晶體管Q2和Q4,提供所需的0.5 A功率。電阻器R16最終使位于DARLINGTON的晶體管Q2和Q4極化。
| 電阻器 | 電容器類 | 晶體管 |
| R1 = 2.2KΩ1W R7 =0.47Ω5W磚 R2 =82Ω1 / 4W R3 =220Ω1 / 4W R4 =4.7KΩ1 / 4W R5,R6,R13,R20,R21 =10KΩ1 / 4W R8,R11 =27KΩ1 / 4W R9,R19 = 2.2KΩ1 / 4W R10 =270KΩ1 / 4W R12,R18 =56KΩ1 / 4W R14 =1.5KΩ1 / 4W R15,R16 = 1KΩ1 / 4W R17 =33Ω1 / 4W R22 =3.9KΩ 1 / 4W RV1 =1MΩ微調 P1,P2 =10KΩ線性電位計 |
C1 =3300μF/ 40V電解 C2,C3 =47μF/ 63V電解 C4 = 100nF聚酯 C5 = 220nF聚酯 C6 = 100pF陶瓷 C7 =10μF/ 50V電解 C8 = 330pF陶瓷 |
Q1 = BC547 NPN晶體管 O2 = 2N2219 NPN晶體管 Q3 = BC327 PNP晶體管 Q4 = BD249C NPN功率晶體管 |
| 二極體 | 運算放大器IC | |
| D1,D2,D3,D4 = 1N5402 D5,D6 = 1N4148 D7,D8 = 5.6V齊納二極管 D9,D10 = 1N4148 D11 = 1N4001 D12 = LED |
U1,U2,U3 = TL081
|
|
| 變壓器 | ||
|
T1 = 220V-18V / 3A
|
容-源-電-子-網-為你提供技術支持
本文地址:http://m.zskn.com.cn/dz/23/30V-0841.shtml
本文標簽:
猜你感興趣:
ACM6252 單相正弦波/方波(BLDC)直流無刷電機驅動IC
深圳市永阜康科技有限公司現在大力推廣一顆單相正弦波/方波直流無刷電機驅動IC-ACM6252. 工作電壓3.1V-18V、工作電流1.2A, 可覆蓋大多數中小功率(<1A)的風機、泵機類應用。
關鍵詞: 所屬欄目:其他文章
IU5302 充滿轉燈截止電壓可調的2A單節磷酸鐵鋰電池/鋰
現在市場上常見的充電芯片,恒壓充電電壓(俗稱轉燈電壓、充滿截止電壓等)一般是固定的。如鋰電池的充電管理芯片一般為4.2V,磷酸鐵鋰電池的充電芯片一般為3.6V,無法滿足各種不同類型電池的充電應用。深圳市永阜康科技有限公司總結充電管理芯片的應用痛點,大力推廣一款2A同步降壓型充電管理IC-IU5302,恒壓充電電壓可調(2V-5V)、可以滿足單節磷酸鐵鋰電池、鋰電池及其它類型電池的充電需求。
關鍵詞: 所屬欄目:電源電路
ACM6753 無霍爾傳感器三相正弦波直流無刷電機BLDC馬達
深圳市永阜康科技有限公司現在大力推廣一顆三相無傳感器正弦波驅動直流無刷馬達驅動IC-ACM6753,集成驅動算法+預驅+MOS,內置電流檢測,外圍元件僅需5個電容,應用極其簡單。
關鍵詞: 所屬欄目:其他文章
直流電機驅動GC9110 pin對pin兼容L9110.
首先看看,GC9110T 是一款 12V 直流電機驅動芯片,為攝像機、消費類產品、玩具和其他低壓或者電池供電的運動控制類應用提供了集成的電機驅動解決方案。芯片一般用了驅動一個直流電機或者使用兩顆來驅動一個步進電機。GC9110T 是 GC9110(低壓 6V 驅動)的 12V 升級版本,客戶根據應用電壓與成本
來選擇芯片。GC9110T 可以工作在 3.8~12V 的電源電壓上,能提供高達 1.5A 持續輸出電流或則2.5A 峰值電流,睡眠模式下功耗小于 1uA。GC9110T 具有 PWM(IN/IN
關鍵詞: 所屬欄目:集成塊資料
GC9110T完全替代L9110 1.5A玩具單通道12V直流電機驅動
首先看看,GC9110T 是一款 12V 直流電機驅動芯片,為攝像機、消費類產品、玩具和其他低壓或者電池供電的運動控制類應用提供了集成的電機驅動解決方案。芯片一般用了驅動一個直流電機或者使用兩顆來驅動一個步進電機。GC9110T 是 GC9110(低壓 6V 驅動)的 12V 升級版本,客戶根據應用電壓與成本
來選擇芯片。GC9110T 可以工作在 3.8~12V 的電源電壓上,能提供高達 1.5A 持續輸出電流或則2.5A 峰值電流,睡眠模式下功耗小于 1uA。GC9110T 具有 PWM(IN/IN
關鍵詞: 所屬欄目:電子報
自制:直流最簡單過流保護電路圖
直流最簡單過流保護電路圖在很在電子電路中,都要加保護電路,常用電路有過壓保護、過流保護、漏電保護等,下面介紹一款最簡單過流保護電路,對于要求不高的場合可以使用,
關鍵詞:過流保護電路 所屬欄目:電子基礎
LA6350大功率開關穩壓電源電路圖
LA6350大功率開關穩壓電源電路圖 電路如圖所示,電路采用該芯片制作的輸出電流可達10A,輸出電壓在5-12V內可調的實用大功率開關型穩壓電源。其工作原理為:220V交流電源經
關鍵詞:可調穩壓電源開關穩壓電源 所屬欄目:開關電源電路圖
LM324+LM386具有可調諧濾波器的音頻放大器
這音頻放大器可以做出500到1500赫茲的調整,它將會驅動一個喇叭或耳機。它對等幅波接收和其他接收應用是非常有用的,它只需要兩個集成電路儀器。 :
關鍵詞: 所屬欄目:音頻功放電路
直流漏電流采樣電路圖
直流漏電流采樣電路如圖所示,其計劃思維在于以鼓舞方波電壓為載體,經過磁環在采樣電阻Rs上感應出電壓,顯著該電壓值與鼓舞方波電壓和Rs電阻存在必定的聯絡。當磁環中存在
關鍵詞: 所屬欄目:其他文章
全自動交流穩壓電源電路圖
LBl690-高性能直流無刷電機控制集成電路圖
LBl690是日本三洋公司生產的三相無刷直流電機驅動控制集成電路,廣泛應用于國產和進口"換新風"、"清新空調"直流無刷換氣風機的驅動控制。 1·功能特點 LBl690集成電路具有過電流限制、熱關斷電路、HALL磁
關鍵詞: 所屬欄目:音頻功放電路
12V開關直流穩壓電源電路圖(TWH8778應用電路)
本電路主要應用TWH8778作為控制芯片,首先給大家介紹一下TWH8778集成電路,TWH8778屬于高速集成電子開關,可用于各種自動控制電路。它外形簡單,外圍電路簡單,內部包含過熱
關鍵詞:高頻開關電源開關穩壓電源直流穩壓電源 所屬欄目:開關電源電路圖
直流24v轉12v電路圖加自制方法
直流24v轉12v電路圖加自制方法
如圖所示,直流24v轉12v電路圖只不過是一個集成的可調電壓調節器,它可以并聯作用于一組功率晶體管。可以說這些晶體管執行重負荷,而負責
關鍵詞:逆變器穩壓電源DC-DC電路 所屬欄目:逆變器電路圖
三端可調穩壓電路圖
三端可調穩壓電路圖
電路工作原理:220V交流電經變壓器T降壓后,得到24V交流電;再經VD1~VD4組成的全橋整流、C1濾波,得到33V左右的直流電壓。該電壓經集成電路LM317
關鍵詞:三端穩壓電路穩壓電路可調穩壓電源 所屬欄目:電源電路
三端7812集成穩壓電源電路
三端7812集成穩壓電源電路
三端集成穩壓電源主要的是使用方便,因為外圍元器件很少就可以達到想要的輸出電壓,適用于各種電源穩壓電路,三端7812集成穩壓電源電路的核心
關鍵詞:三端穩壓電路穩壓電源穩壓電路 所屬欄目:電源電路
直流固態繼電器內部電路
直流固態繼電器內部電路
固態繼電器內部電路G5NB-1ADC5的框圖如圖13-17所示。它主要由輸入電路,光耦合器,驅動電路,開關輸出電路和瞬態峰值抑制電路組成。
(1)輸入
關鍵詞:直流固態繼電器 所屬欄目:電子基礎
TL494搭建的PWM直流電機調速電路
TL494搭建的PWM直流電機調速電路.下圖為使用TL494搭建的PWM直流電機調速電路.電路看起來復雜些,使用兩只場效應管并聯驅動輸出,可驅動功率較大的電機.
關鍵詞:電機控制穩壓集成電路 所屬欄目:電子制作
無刷直流(BLDC)電機控制解決方案
無刷直流(BLDC)電機正迅速成為要求高可靠性,高效率和高功率體積比的應用的自然選擇。這些電機在很寬的速度范圍內提供大量的扭矩,并且與有刷電機具有相似的扭矩和速度性
關鍵詞:電機控制 所屬欄目:設計編程
自制一款直流電機調速電路(圖文)
該直流電機控制器使用光耦隔離器件,雙向可控硅等元件制作,裝置結構簡單,輸出功率較大。經過反復調試多次實驗,工作安全可靠,而且使用單層印板即可實現,制作成本低(筆
關鍵詞:電機控制 所屬欄目:電子制作
動力系統中增加48V直流(DC)總線(圖文)
目前混動汽車(HEV)和純電動汽車(EV)的設計非常引人注目,但是汽車行業也有一個不太明顯但是意義重大的發展趨勢:在動力系統中增加48V直流(DC)總線。48V不僅適用于混動
關鍵詞: 所屬欄目:其他文章