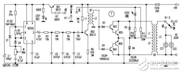
電路見圖1。當把開關K1打向“逆變”位置時,BG1導通,由時基電路NE555及外圍元件組成的無穩態多諧振蕩器開始振蕩,其充、放電時間常數可調節。如果選擇R1=R2,則輸出脈沖的占空比為50%,該多諧振蕩器的振蕩頻率f=1.443/(R1+R2+2W)C2,圖中的元件數值可使振蕩頻率調在50Hz,振蕩脈沖由役腳輸出,波形為方波,該方波經C4耦合,R3、C5積分變為三角波,這個三角波又經R4、C6,第二次積分和R5、C7第三次積分,變為近似的正弦波,通過C8耦合到BG2,由BG2放大后在B1的L2線圈上輸出。當L2上端電壓為正時,D4截止,D3導通,使BG4、BG6截止,BG3、BG5導通,電流由電瓶正極→B2的L1→BG5→電瓶負極;當L2上端電壓為負時,D3截止,D4導通,使BG3、BG5截止,BG4、BG6導通,電流由電瓶正極→B2的L2→BG6→電瓶負極。BG5、BG6交替導通、截止,經變壓器B2合成正負對稱的正弦波,并由L3升壓送至逆變輸出插座CZ1、CZ2,供用電器使用,同時LED1(紅色)亮,指示逆變狀態。
當開關打向“充電”位置時,市電經變壓器B2降壓、D5、D6全波整流、R11限流后對電瓶充電,同時LED2(綠色)亮,指示充電狀態。

元件選擇和制作
本電路中元器件均為易購的常用元器件,按圖中所示數值選用即可。B1用收音機輸出變壓器,應選用鐵心大,線徑粗的那一類,把原來接喇叭的這一組線圈接在L2位置,BG3、BG4分別用兩只9013和9012并聯組成,如圖2和圖3所示。BG5、BG6均由四只3DD15并聯組成,如圖4所示。BG5、BG6的散熱器面積不應小于600cm2,B2逆變變壓器可選用成品。整機用印刷線路板可自行設計制作。電瓶選用容量大于150Ah的電瓶。
本逆變器的調試只需調W,使逆變電壓頻率為50Hz即可。
在12V供電端串上電流表,空載開機,調節RP,使電流最小,再接上60W燈泡,調RP,使電流最小,重復空載負載調節多次,直至電流再無法調小,此時貼近變壓器聽,噪聲應該是最小,若沒有調節平行,噪聲很大,不貼耳也能聽到。

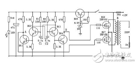
下圖較為容易制造的逆變器電路圖,能夠將12V直流電源電壓逆變為220V市電電壓,電路由BG2和BG3組成的多諧振蕩器推進,再經過BG1和BG4驅動,來控制BG6和BG7工作。其中振蕩電路由BG5與DW組的穩壓電源供電,這樣能夠使輸出頻率比擬穩定。在制造時,變壓器可選有常用雙12V輸出的市電變壓器。可依據需求,選擇恰當的12V蓄電池容量。

本文地址:http://m.zskn.com.cn/nbq/15742963063449.shtml
本文標簽:
猜你感興趣:
簡易自制金屬探測器電路圖,只需少量元器件即可制作成
金屬探測器電路圖 金屬探測器可應用很多領域,當然,金屬探測器根據工作原理的不同,也可以分為很多種的類型電路,今天我們主要介紹的是用集成電路555制作的金屬探測器,由
關鍵詞: 所屬欄目:電路圖
自制最簡單干電池充電器電路圖(原理圖)
自制最簡單干電池充電器電路圖(原理圖):干電池應用場合很多,遙控器應用干電池是最常見的一種,還有就是兒童玩具應用干電池也很多,只要是充電電池,就可以進行二次充電使用,其實干電池充電電路原理很簡單,自制最簡單干電池充電器電路也很容易,對于電子技術要求不高,只要會一點電路基本常識就可以輕松制作出來,如下圖所示:電子元器件很少,核心器件就是一個多抽頭變壓器,可以輸出固定電壓AC12V、AC8V、AC6V等就能完成。電路原理圖如下:
關鍵詞:充電器電路圖 所屬欄目:電路圖
自制最簡單12v轉220v逆變器制作及電路圖(車載大功率)
自制最簡單12v轉220v逆變器制作及電路圖(車載大功率);在有直流低電源而沒有220V交流電的情況下,逆變器是最佳的轉換裝置,很多場合都適用,比如喜歡釣魚的朋友,可以用逆變器為自己的用電設備使用。本文介紹一款應用CW3525A集成塊制作的最簡單12v轉220v逆變器及電路圖。電路很簡單,制作也方便,適用性很強。
關鍵詞:逆變器高頻逆變器 所屬欄目:逆變器電路圖
自制12伏變220伏的逆變器、電路圖(大功率200W)
自制12伏變220伏的逆變器、電路圖(大功率200W)利用晶閘管電路把直流電轉變成交流電,這種對應于整流的逆向過程,定義為逆變。
例如:應用晶閘管的電力機車,當下坡時使
關鍵詞:逆變器高頻逆變器 所屬欄目:逆變器電路圖
自制最簡單12V開關電源電路圖(WS157)
自制最簡單12V開關電源電路圖(WS157)
開關電源是利用現代電力電子技術,控制開關管開通和關斷的時間比率,維持穩定輸出電壓的一種電源,開關電源一般由脈沖寬度調制(
關鍵詞:開關穩壓電源 所屬欄目:開關電源電路圖
自制:直流最簡單過流保護電路圖
直流最簡單過流保護電路圖在很在電子電路中,都要加保護電路,常用電路有過壓保護、過流保護、漏電保護等,下面介紹一款最簡單過流保護電路,對于要求不高的場合可以使用,
關鍵詞:過流保護電路 所屬欄目:電子基礎
最簡單大功率500W晶體管逆變器電源電路圖
最簡單大功率500W晶體管逆變器電源電路圖
逆變器主要作用就是將低電壓轉換成高電壓,常見的就是要轉換成交流220V-50Hz,下面為大家介紹一個最簡單大功率的逆變器,電
關鍵詞: 所屬欄目:逆變器電路圖
簡單自制tl494逆變器電路圖50hz輸出,大功率
簡單自制tl494逆變器電路圖50hz輸出,大功率輸出,
逆變器(inverter)是把直流電能(電池、蓄電瓶)轉變成交流電(一般為220v50HZ正弦或方波)。應急電源,一般是把直流
關鍵詞:逆變器穩壓電路 所屬欄目:逆變器電路圖
簡單自制tl494逆變器電路圖50hz輸出,大功率
簡單自制tl494逆變器電路圖50hz輸出,大功率輸出,
逆變器(inverter)是把直流電能(電池、蓄電瓶)轉變成交流電(一般為220v50HZ正弦或方波)。應急電源,一般是把直流
關鍵詞:逆變器穩壓電路 所屬欄目:逆變器電路圖
車載12v轉220v逆變器電路圖(CW3525A應用電路)
變器電路圖(CW3525A應用電路)車載12v轉220v逆 本車載逆變器電路實際上是一個數字式準正弦波DC/AC逆變器,具有以下特點:(1)采用脈寬調制式開關電源電路,轉換效率高
關鍵詞: 所屬欄目:逆變器電路圖
555逆變驅動電路圖-最簡單12v轉220v逆變器制作
555逆變驅動電路圖-最簡單12v轉220v逆變器制作
關鍵詞: 所屬欄目:逆變器電路圖
ne555+13005逆變電路圖
ne555+13005逆變電路圖
逆變器電路圖有很多種,采用不同的控制方式可以得到不同的電路及輸出功率及頻率,本文介紹的是用13005逆變電路圖,13005主要作用是功率開關管,1
關鍵詞: 所屬欄目:電源電路
大功率12V轉220V逆變器電路圖(500W)
大功率12V轉220V逆變器電路圖(500W) 這是逆變器電路的 500W輸出。它將12VDC轉換為220V 50Hz。您可以輕松,廉價地構建它。 朋友喜歡這個。因為喜歡在戶外工作,或在必要
關鍵詞: 所屬欄目:逆變器電路圖
13005逆變電路圖
13005逆變電路圖:逆變器電路圖有很多種,采用不同的控制方式可以得到不同的電路及輸出功率及頻率,本文介紹的是用13005逆變電路圖,13005主要作用是功率開關管,13005決定輸出的功率(一般制作逆變器都希望輸出功率大更好)。電路前級主要是用NE555及13005控制,后級很簡單,就是整流加濾波得到直流電源。13005逆變電路圖如下:
關鍵詞:逆變器高頻逆變器 所屬欄目:逆變器電路圖
自制耳機放大器
自制耳機放大器,耳放即為耳機放大器,在耳機系統中,音源與耳機之間加入一個耳機放大器的環節,可以改善音質、調整系統的音色走向,這已經在耳機發燒友中形成共識。特別是千元以上較為高檔的耳機,使用耳機放大器后音質改善是明
關鍵詞: 所屬欄目:音頻功放電路
自制最完美的lm1876電路圖
最完美的lm1876電路圖:功率放大電路是一種以輸出較大功率為目的的放大電路。它一般直接驅動負載,帶載能力要強。輸出功率大,效率要高,非線性失真要小,散熱少。 :
關鍵詞: 所屬欄目:音頻功放電路
1.5v轉5v逆變器電路圖
1.5v轉5v逆變器電路圖
在許多情況下,能夠將1.5V轉換為5V非常方便。然后,您可以使用單節AA或AAA電池為微控制器或LED供電。由于具有特殊的IC,如MAXIM MAX1674或MAX7176
關鍵詞:逆變器 所屬欄目:逆變器電路圖
純正弦波逆變器電路圖制作過程(50Hz)
純正弦波逆變器電路圖制作過程(50Hz)
逆變器可以按照它的輸出波形進行分類,分為方波逆變器、修正波逆變器和正弦波逆變器。 因此正弦波逆變器的定義就是輸出波形為
關鍵詞:逆變器 所屬欄目:逆變器電路圖
兩個三極管構成簡易逆變器電路圖(傻瓜逆變器電路圖)
在眾多逆變器電路圖中,想要找一個簡易的電路圖很多難找,今天本人把自己收藏的一個超簡易逆變器電路圖分享給大家,電子元器件非常少,制作也簡單,應用兩個三極管就可以搞定。詳細介紹請閱讀下文。
關鍵詞:逆變器 所屬欄目:逆變器電路圖
高頻逆變器與低頻逆變器有什么區別
高頻逆變器與低頻逆變器有什么區別
1、按照電氣和電子工程師學會(IEEE)制定的頻譜劃分表,低頻頻率為30~300kHz,中頻頻率為300~3000kHz,高頻頻率為3~30MHz,頻率范
關鍵詞:逆變器高頻逆變器 所屬欄目:逆變器電路圖