工作原理:采用TDA2005S雙低頻功率放大集成電路的公共汽車收音和擴音電路。圖中輸入端可以接話筒或收音機的低頻電壓放大輸出級。每個TDA2005S輸出10W功率,可帶4個揚聲器。兩路輸出可帶8個揚聲器,可分放在車內不同地點。總共輸出功率可達20W。

本文地址:http://m.zskn.com.cn/gongfangdianlu/y/TDA2005S-93499.shtml
本文標簽:
猜你感興趣:
采用三極管設計收音機低放電路
三極管最基本的作用是放大作用,它可以把微弱的電信號變成一定強度的信號,當然這種轉換仍然遵循能量守恒,它只是把電源的能量轉換成信號的能量罷了。三極管有一個重要參數就是電流放大系數β。當三極管的基極上
關鍵詞: 所屬欄目:音頻功放電路
基于89c4051設計手持式頻率合成數字調頻收音機
89c4051是美國ATMEL公司生產的低電壓、高性能CMOS 8位單片機,片內含4k bytes的可反復擦寫的只讀程序存儲器(PEROM)和128bytes的隨機數據存儲器(RAM),器件采用ATMEL公司的高密度、非易失性存儲技術生產,兼
關鍵詞: 所屬欄目:音頻功放電路
擴音機制作原理
圖是一個擴音器的電路圖。本圖增加了由R4、R5、R6和C2組成的電流負回授,能有效消除揚聲器音圈感應電壓造成的失真,進一步提高了本機的音質。改變R9能改變本機工作狀態,R9值增大輸出向甲類工作狀態靠近,R9值變
關鍵詞: 所屬欄目:音頻功放電路
TDA2005S的公共汽車擴音機電路
上圖所示為采用TDA2005S的公共汽車擴音機電路。該電路輸入端可接收來自話筒信號和收音機輸出的信號,該信號經低頻功率放大器TAD2005S放大后輸出兩組IO W的功率,一組驅動四個揚聲器,兩路輸出可帶動8個揚聲器發
關鍵詞:功放集成電路 所屬欄目:音頻功放電路
CXA1019S收音機電路圖及引腳功能、電路參數
本文介紹CXA1019S收音機電路圖及引腳功能參數等,在收音機電路中,應用CXA1019S集成電路的很多,當然問題也出現很多,下面介紹CXA1019S電路原理。
關鍵詞:功放集成電路 所屬欄目:音頻功放電路
TDA2005S構成的20w公共汽車收音機及擴音機電路
如圖所示電路,其工作原理為:本電路是采用TDA2005S雙低頻功率放大集成電路的公共汽車收音和擴音電路。圖中輸入端可以接話筒或收音機的低頻電壓放大輸出級。每個TDA2005S輸出10W功率,可帶4個揚聲器。兩路輸出可
關鍵詞: 所屬欄目:音頻功放電路
AM收音機
:
關鍵詞: 所屬欄目:音頻功放電路
AM / FM收音機廣播
:
關鍵詞: 所屬欄目:音頻功放電路
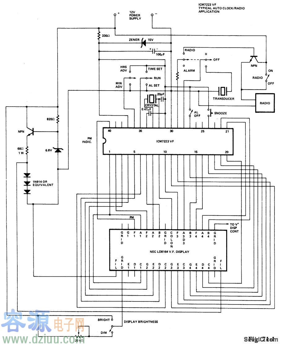
時鐘收音機
:
關鍵詞: 所屬欄目:音頻功放電路
多功能收音機電路原理圖
說明: u1的23腳輸出的音頻信號經c123耦合從24腳輸入。w1是電子音量控制電位器,控制u1第4腳的電平來控制音量。u1的23腳輸出的音頻信號經c1 23送至u1 24腳入IC內部功率放大器放大,放大后的音頻信號從27腳輸出推
關鍵詞: 所屬欄目:音頻功放電路
陶瓷濾波器收音機中放電路圖
陶瓷濾波器收音機中放電路 如圖所示為兩端及三端陶瓷濾波器在調幅半導體收音機中放電路中的應用。陶瓷濾波器B1和B2用于465kHz中頻旁路,B1則用于中頻的耦合。B1使用窄帶型濾波器,它并聯在VT1的發射極電阻上,有
關鍵詞: 所屬欄目:音頻功放電路
普通FM收音機制作“竊聽器”無線話筒
無
關鍵詞: 所屬欄目:電子制作
教你制作簡易中波收音機
無
關鍵詞: 所屬欄目:電子制作
超外差收音機應用電路圖
無
關鍵詞: 所屬欄目:電子基礎
介紹基于單管變頻電路在收音機中的運用
無
關鍵詞: 所屬欄目:電子基礎
收音機專用集成電路KA22425D中文資料及電路圖
無
關鍵詞: 所屬欄目:家電維修
小型太陽能收音機的制作方法
無
關鍵詞: 所屬欄目:其他文章
基于LM386制作的單片收音機
無
關鍵詞: 所屬欄目:其他文章
高集成度的車載收音機(AM/FM)接收器方案
無
關鍵詞: 所屬欄目:其他文章