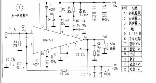
TDA7293是ST(SGS-THOMSON)公司出品的一款大功率高電壓DMOS高保真功放IC,額定輸出功率為100W,最大工作電壓為120V。它是一個整體集成電路Multiwatt15封裝,作為音像類AB,放大器在高保真領域應用非常高工作電壓范圍;(±50V)最高工作電壓±60V;DMOS;力量階段高產品力量(100W;@;THD;=;10%,;RL;=;8歐姆;電壓=;±40V)。

本文地址:http://m.zskn.com.cn/gongfangdianlu/y/159107TDA7293.shtml
本文標簽:
猜你感興趣:
LM324+LM386具有可調諧濾波器的音頻放大器
這音頻放大器可以做出500到1500赫茲的調整,它將會驅動一個喇叭或耳機。它對等幅波接收和其他接收應用是非常有用的,它只需要兩個集成電路儀器。 :
關鍵詞: 所屬欄目:音頻功放電路
雙節鋰電池供電20W+2×10W移動2.1音響音頻放大升壓充電
深圳市永阜康科技有限公司推出基于CS8611E單芯片移動2.1聲道藍牙音箱解決方案。采用雙節鋰電池串聯8.4V做電源,再加一個升壓芯片CS5036E升壓到12V給CS8611E供電,實現20W+2×10W輸出;而充電采用CS5090E USB 5V輸入兩節鋰電池串聯8.4V充電管理芯片,非常方便。在鋰電池為電源的狀態下提供媲美傳統2.1音箱的聽覺體驗。
關鍵詞: 所屬欄目:專業功放電路
晶體管音頻放大電路原理圖
如圖為晶體管音頻放大電路原理圖。音頻放大電路是對細微的音頻進行放大的電路,使放大了的音頻信號能推動揚聲器正常放音。音頻放大電路有可能是分立電路,也有可能是集成模塊。音頻播放模塊是一個可以播放音頻信
關鍵詞: 所屬欄目:音頻功放電路
一個50毫瓦晶體管音頻放大器的電路
本電路是一個小的音頻放大器類似于一個小的晶體管收音機。輸入級可偏置電壓,使供應分在兩個互補輸出是略微偏導基地之間的二極管三極管平分。 3.3歐姆的電阻串聯使用,輸出晶體管的發射極穩定的偏置電流,因此不
關鍵詞: 所屬欄目:音頻功放電路
MAX4165/66低功耗單電源音頻放大器
上圖所示是一種采用運算放大器MAX4165/66的低功耗單電源音頻放大電路,音頻信號經耦合電容器其cl后,經運算放大器放大后輸出驅動揚聲器發聲。
關鍵詞: 所屬欄目:音頻功放電路
12V至正負20V的汽車音頻放大電源轉換電路電路圖
材料的法案: 設計:12V to 20V 100W直流-直流 conv,Doc. no.: 1,校訂: 3: 創造的:29/04/05: 零配件表,電阻器,2 R1,R2 = 10 ,4 R3,R4,R6,R7 = 1k ,1 R5 = 22k,1 R8 = 4.7k ,1 R9 = 100k,電
關鍵詞: 所屬欄目:音頻功放電路
LM4780音頻放大電路應用電路
參數: 工作電壓:20-84V,也就是在雙電源情況最小支持正負10V和最大42V 輸出功率:8歐的情況下---直流正負28V的時候輸出最大功率38W 8歐的情況下---直流正負35V的時候輸出最大功率50W LM4780美國國
關鍵詞:功放集成電路 所屬欄目:音頻功放電路
20W音頻放大器工作電路原理圖
此電路簡單、價廉,可用一對TO-220單塊達林頓晶體管構成推挽輸出級,頻響在30Hz到200kHz內偏差小于1dB,諧波失真低于0.2%。在8Ω負載上20W滿輸出時放大器僅需輸入有效值1.2V的電壓。本電路僅需外加一個晶體管,
關鍵詞: 所屬欄目:音頻功放電路
雙通道模式的2822內部等效電路
2822是專門用于便攜式錄音機和收音機的音頻功率放大輸出部分的雙極性集成電路,具有交流失真小,靜態電流小,開關機時無沖擊噪聲等特點。下圖為它的內部等效原理圖。 :
關鍵詞:音頻放大器電路圖 所屬欄目:音頻功放電路
基于μPC2002的音頻放大電路原理圖
本電路采用音頻功率放大集成電路μPC2002,采用5腳單列直插塑料封裝,按引線的形狀可分為H型與V型。該電路輸出功率大、失真度小,噪聲低,開機時沖擊聲小,并具有電源浪涌、過電壓和負載短路等保護電路,因而廣泛
關鍵詞:音頻放大器電路圖 所屬欄目:音頻功放電路
100W HiFi音頻放大器電路
該放大器的設計具有以下規格:即使在20KHz時,在100W的全功率下失真也小于0.1%。功率必須歸因于擴展的帶寬。必須保護輸出晶體管免于短路。電源必須對稱,以便在出口處不需
關鍵詞:音頻放大器電路圖音響電路圖 所屬欄目:專業功放電路
TL431晶體電臺音頻放大電路原理圖
使用TL431分流穩壓器設計的音頻放大器。該放大器可提供房間內的水晶,從一個普通的一個長線天線和配備良好的地面收音機的音量。在復雜的電路是類似于一個簡單的晶體管收音機,但其性能遠遠優越。TL431的是在一個
關鍵詞:音頻放大器電路圖 所屬欄目:音頻功放電路
LM4819音頻功率放大電路原理圖
工作原理:音頻信號輸人后,經過Ci、Ri耦合加到放大器的反相輸入端(4腳),而放大器的同相輸入端(3腳)則交流接地,放大后的信號從5、8腳輸出。5、8腳之間接負載,如揚聲器,由此構成反相功率放大電路。為了避
關鍵詞:功放集成電路音頻放大器電路圖 所屬欄目:音頻功放電路
LM4819設計的高增益音頻放大電路原理圖
工作原理:只要增大R3即可提高放大器的增益。在R3兩端并聯電容C4,用于對高頻提供低阻通路濾波,防止高頻自激。J1為跳線,當J1接通時,1腳接地,全功率放大工作;當J1斷開時,1腳為VDD,微功耗關斷,放大器不工作
關鍵詞:功放集成電路音頻放大器電路圖 所屬欄目:音頻功放電路
LM1876電路圖、參數及最佳電壓
LM1876是一款高保真音頻功率放大電路,制作方便,元器件很少,只要會看電路圖和焊接的朋友就可以成功制作,下面為大家提供LM1876電路圖及LM1876參數及最佳電壓,希望對愛好者有很好幫助。
關鍵詞: 所屬欄目:音頻功放電路
MAX98304D類音頻放大應用電路原理圖
MAX98304單聲道、3.2W、D類放大器能夠以D類放大器的效率提供AB類放大器的音頻性能。器件提供5種可選增益設置(0dB、3dB、6dB、9dB和12dB),由一個增益選擇輸入(GAIN)設置
關鍵詞:功放集成電路 所屬欄目:音頻功放電路
LM386電視音頻放大器
該放大器用于探測電視音頻輸出信號,并將它放大,驅動耳機聽到聲音。它圍繞LM324四運放和LM386低功率音頻放大器設置。該電路采用低價駐極電介體麥克風作為輸出設備。 :
關鍵詞: 所屬欄目:音頻功放電路
小功率音頻放大器2W電路圖
音頻放大器2W電路圖如下圖所示
關鍵詞: 所屬欄目:音頻功放電路