TDA7294制作的大功率低音炮電路圖
TDA7294廣泛用于Hi-Fi領域,如家庭影院、有源音箱。該器件為15腳封裝,外形如圖
。各端腳作用如下:
①腳為待機端;
②腳為反相輸入端;
③腳為正相輸入端;
④腳接地;
⑤、⑾、⑿腳為空腳;
⑥腳為自舉端;
⑦腳為+Vs(信號
部分);
⑧腳為-Vs(信號
部分);
⑨腳為待機腳;
⑩腳為靜音腳;
⒀腳為+Vs(末級);
⒁腳為輸出端;
⒂腳為-Vs(末級)。

TDA7294特點
音色是TDA7294的重點設計部分,有雙極信號
電路和功率MOS的特點,耐高壓,低噪聲,低失真,重放音色親和力等特點,短路保護等。
TDA7294主要參數
Vs(電源電壓)為±10V ~±40V;I0(輸出電流峰值)為10A;
TDA7294應用電路圖

本文地址:http://m.zskn.com.cn/dz/26/2010819111151.shtml
本文標簽:
猜你感興趣:
OPA541BM超低音放大器
該放大器專門用于提供低頻低音揚聲器系統,它能夠達到100瓦到8Ω的負載。OPA541BM運算放大器要求有散熱功能,它是由Burr-Brown公司生產的。用來消除揚聲器開機關機低頻噪音的阻尼控制,繼電器也包括在內。 :
關鍵詞: 所屬欄目:音頻功放電路
LF353的應用電路圖之D類低音功放
LF353的應用電路圖:甲類功放(A類功放)輸出級中兩個(或兩組)晶體管永遠處于導電狀態,也就是說不管有無訊號輸入它們都保持傳導電流,并使這兩個電流等于交流電的峰值,這時交流在最大訊號情況下流入負載.當無訊號時,兩個晶體管各流通等
關鍵詞:重低音電路圖音頻放大器電路圖 所屬欄目:音頻功放電路
NE5532和LM3886制作力度十足的低音炮
NE5532是高性能低噪聲運放,它具有較好的噪聲性能,優良的輸出驅動能力及相當高的小信號與電源帶寬.小信號帶寬:10MHz;輸出驅動能力:600Ω,10V;輸入噪聲電壓:5nV/√HZ(典型值);DC電壓增益:50000;AC電壓增益:10KHz時
關鍵詞:重低音電路圖功放集成電路 所屬欄目:音頻功放電路
簡單TDA2030音頻功率放大電路
TDA2030是德律風根生產的音頻功放電路,采用V型5 腳單列直插式塑料封裝結構。如圖1所示,按引腳的形狀引可分為H型和V型。該集成電路廣泛應用于汽車立體聲收錄音機、中功率音響設備,具有體積小、輸出功率大、失
關鍵詞: 所屬欄目:音頻功放電路
基于TDA2030/TDA2030A組成的BTL中低音功放電路
TDA2030A是德律風根生產的音頻功放電路,采用V型5 腳單列直插式塑料封裝結構.如圖1所示,按引腳的形狀引可分為H型和V型.該集成電路廣泛應用于汽車立體聲收錄音機、中功率音響設備,具有體積小、輸出功率大、失真小
關鍵詞: 所屬欄目:音頻功放電路
帶通式低音炮電路原理圖
帶通式低音炮電路原理圖如圖。 圖中,濾波電路是典型的巴特沃斯帶通形式。IC1-a與電阻R1、R9及電容C1、C2構成高通濾波器,IC1-b與電阻R4、R10及電容C3、C4構成低通濾波器,運放選用LM833N。電源變壓器采用16
關鍵詞:重低音電路圖音頻放大器電路圖 所屬欄目:音頻功放電路
重低音音箱用的主動伺服式功率放大器電路圖
伺服均衡相位、音量控制線路的設計特點是從音源或前級輸出的信號經L,R輸入送到運算放大IC1A的輸入端,開關K1和IC1B就是用來控制信號的正反相,使之與主音箱有更正確的相位匹配。由三聯波段開關K2和IC1C構成的
關鍵詞: 所屬欄目:音頻功放電路
12v低音炮常見故障維修
隨著人們生活水平提高,對音樂的要求也不斷提高,很多人都喜歡重低音,也叫低音炮(超重低音),對于車載音響系統中,使用12V低音炮很常見,文中介紹12v低音炮常見故障維修方法。希望對維修者有幫助,維修行業故障現象千奇百怪,很多現象從未見過。只要找到電路圖就能維修。
關鍵詞:音響電路圖音頻放大器電路圖 所屬欄目:車載功放電路
TDA2030低音炮電路圖
如圖所示電路開機沖擊極小。外接元件非常少。輸出功率大,Po=18W(RL=4Ω)。采用超小型封裝(TO-220),可提高組裝密度。能在最低±6V最高±22V的電壓下工作在±19V、8Ω阻抗時能夠輸出16W的有效功率,THD≤0.
關鍵詞:重低音電路圖功放集成電路 所屬欄目:音頻功放電路
TDA2030A低音炮電路圖
TDA2030A的優良性能使得它十幾年來一直得到大家的瘋狂喜愛,很多外表豪華的有源音箱、中檔功放、低音炮也采用了TDA2030。 TDA2030A是單聲道的功率放大集成電路,做立體聲放大器必須使用兩只TDA2030A.TDA2030
關鍵詞: 所屬欄目:音頻功放電路
200w超重低音功放電路
家庭影院必備一個有源超重低音音箱。推動超重低音的功放板,輸出功率若能達到200w,則更能發出氣勢澎湃、震天動地的低頻,因此一般都要用^l輸出。本電路適合無論是用分立元件或集成電路的單聲道功放,不改一個元
關鍵詞:重低音電路圖 所屬欄目:音頻功放電路
AN7147功放應用電路圖
本功率放大器采用集成電路TA8250做立體聲放大,AN7147做重低音炮放大。具有噪聲低、靈敏度高、輸出功率大,有過熱過載自動保護等功能。
關鍵詞:重低音電路圖功放集成電路AV放大器電路 所屬欄目:音頻功放電路
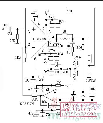
TDA7294設計的200W低音炮電路原理圖
TDA7294采用15腳雙列非對稱直插封裝,差分輸入級由雙極型晶體管構成,推動級和功率輸出級采用DMOS場效應管半導體技術。這種混合半導體制造工藝使得TDA7294兼顧雙極型信號處理電路和MOS功率管的優點,重放音色極具親和力(被發燒友譽為“膽味功放”);內置的靜音待機功能,短路電流及過熱保護功能使其性能更完善。可應用在HiFi家用音響、有源音響、高性能電視機等領域。
關鍵詞: 所屬欄目:音頻功放電路
5532單電源超重低音電路圖
說起超重低音電路不得不說說5532,及NE5532,在從多關于5532超重低音電路圖中可以看到,全部都是雙電源供電,比如正負12V,也有很多愛好者想通過單電源來供電制作成5532單電源超重低音電路也是可以的,本文就介紹NE5532單電源超重低音電路圖,供電電壓使用的是正12V供電,前提條件是對DC12必須濾波良好,如果DC12V電源濾波不良就會有噪聲,影響效果。
關鍵詞:重低音電路圖音頻放大器電路圖功放集成電路 所屬欄目:AV功放電路
5532超重低音電路圖
5532超重低音電路圖這是一款高性能的雙路低噪聲運算放大器。與標準雙路運算放大器(例如NJM1458)相比,它具有更好的噪聲性能,改進的輸出驅動能力以及相當高的小信號和功率
關鍵詞:重低音電路圖 所屬欄目:AV功放電路
MZ1812超重低音電路原理圖(圖文)
如圖所示電路主要由MZ1812設計而成,它是用于產生低音、超低音信號的專用集成電路。它將輸入的55-300Hz信號頻率降低一半(即27.5-150Hz)后輸出,亦即樂理上所謂的降低一個八度。電路首先對輸入的音頻信號作低通處
關鍵詞:音頻放大器電路圖音響電路圖重低音電路圖 所屬欄目:音頻功放電路
LM3886和NE5532設計的重低音功放電路原理圖
本電路即為LM3886配合NE5532前置級制作的一臺重低音功率放大器,搭配重低音音箱可獲得較好的聽音效果。LM3886是大功率單聲道音頻功率放大集成電路,11腳單列直插式封裝,內部具有完善的保護電路。在70V電源時,
關鍵詞:重低音電路圖 所屬欄目:音頻功放電路
由LM3886設計的低音炮電路
低音炮的電路部分見下圖。有源低音放大器的電路原理大同小異,基本是由低通濾波器和功率放大器構成,本電路由NE5532組成120Hz 低通濾波器,對輸入的120Hz以上的信號濾除,再送入LM3886功放集成電路進行功率放大
關鍵詞:重低音電路圖 所屬欄目:音頻功放電路
低音提升電路
使用在引腳1和5之間的外部串聯RC電路和運放器的并聯內部151K電阻,對揚聲器的低音響應差補償。如果電阻是15K,穩定運行的最低值是10K,就可以得到6分貝的有效低音增強。 :
關鍵詞:重低音電路圖 所屬欄目:音頻功放電路
基于LM3886超重低音的制作
LM3886是美國NS公司推出的新型的大功率音頻放大集成電路,其后面的TF為全絕緣封裝,和LM1875T相比,它的功率較大,在額定工作電壓下最大可達68W的連續不失真平均功率,同樣具有比較完善的過壓過流過熱保護功能,
關鍵詞:重低音電路圖 所屬欄目:音頻功放電路