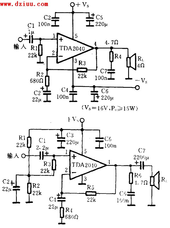
注意的問題:第一,TDA2040具有負載泄放電壓反沖保護電路,
電源電壓峰值電壓40V的話,那么在5腳與電源
插入LC濾波器,以保證5腳上的脈沖串維持在規定的幅度內。第二,熱保護:限熱保護有以下優點,
承受輸出的過載(甚至是長時間的),
環境溫度超過時均起保護作用。與普通電路相比較,散熱片可以有更小的安全系數。第三,萬一結溫超過時,也不會對器件有所損害,
發生這種
,Po=(當然還有Ptot)和Io就被減少。第四,印刷電路板設計時
較好的考慮地線與輸出的去耦,
這些線路有大的電流通過。第五,裝配時散熱片與
不
絕緣,引線長度應盡
短,焊接溫度不得超過260℃,12秒。第六,雖然TDA2040所需的元件很少,但所選的元件
是品質有保障的元件。《版權聲明:本文由m.zskn.com.cn整理提供,部分內容來源于網絡,如有侵犯到你的權利請與我們聯系更正。》
《版權聲明:本文由m.zskn.com.cn整理提供,部分內容來源于網絡,如有侵犯到你的權利請與我們聯系更正。》
本文地址:http://m.zskn.com.cn/dz/21/2011826210109.shtml
本文標簽:
猜你感興趣:
220V轉12V電路圖
無
自激24V開關電源電路圖
無
機動車后掛閃速電路圖
無
12v節能燈電路圖,電路原理圖
無
轉:九陽jydz-21豆漿機電路圖
無
轉:九陽jydz-9豆漿機電路圖
無
九陽jydz-8型豆漿機電路圖
無
可控硅過零觸發調壓器電路圖
無
轉:變壓器耦合放大電路圖
無
推薦:單按鈕的電子鎖電路圖
無
簡單實用的逆變電源電路圖及制作方法
無
采用1v供電的低頻放大電路圖
無
電腦麥克風電路圖
無
自制簡單實用的應急燈電路圖
無
超簡單的可控硅調速電路圖
無
單相電動機正反轉控制電路圖
無
6P3P電子管放大器電路圖
無
推薦:RC低頻振蕩器電路圖
無
簡易的方波、正弦波發生器電路圖
無
[雙輸出電子鎮流器電路圖]
無