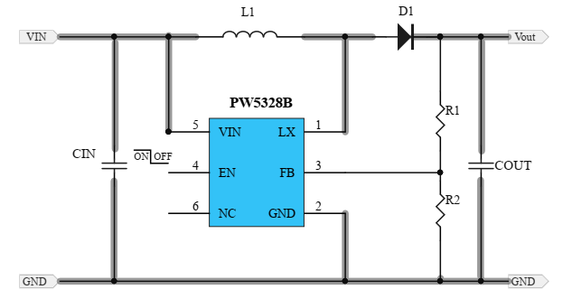
兩款2V升5V的芯片電路圖: PW5100升壓芯" />


非常感謝用戶kuakewei 的投稿!
本文地址:http://m.zskn.com.cn/Components/16099977624187.shtml
本文標簽:
猜你感興趣:
PL2303 PFM升壓 DC-DC 變換器
關鍵詞: 所屬欄目:元器件知識
PS7516 2.5A高效同步PWM增壓轉換器
關鍵詞: 所屬欄目:元器件知識
PS7526 高效 DC-DC 同步整流升壓轉換器
關鍵詞: 所屬欄目:元器件知識
PL7512A 非同步的PWM提升轉換器
關鍵詞: 所屬欄目:元器件知識
FP6715 5V、2.5A、550 KHz高效低波紋同步升壓轉換器
關鍵詞: 所屬欄目:元器件知識
TD8587 5V 2.1A 1.2MHz同步升壓轉換器芯片
一般說明
TD8587是一個同步整流器,固定的開關頻率(典型的1.2MHz),和電流模式的升壓調節器。該設備允許為USB設備使用小型電感器和輸出電容器。該電流模式控制方案具有快速的瞬態響應和良好的輸出電壓精度。
在輕負載下,TD8587將自動進入脈沖調頻(PFM)操作,以減少主要的開關損耗。在PFM運行期間,IC消耗非常低的靜止電流,并在整個負載范圍內保持高效率。TD8587還包括電流限制和過溫停機,以防止在輸出過載時的損壞。
TD8587有ESOP-8軟件包。
關鍵詞: 所屬欄目:集成塊資料
PC1961同步升壓芯片直接替代PW5100
產品概述
PC1961系列產品是一款低功耗高效率、低紋波、工
作頻率高的 PFM 控制升壓 DC-DC 變換器。
PC1961 系列產品僅需要3個外部元器,即可完成低
輸入的電池電壓輸入。
用途
1-3 個千電池的電子設備數碼相機。電子詞典 LED手電簡、LED燈
血壓計、MP3、遙控玩具 無線耳機、無線鼠標鍵盤、醫療器械
防丟器、汽車防盜器、充電器 VCR、PDA 等手持電子設備
典型應用電路
.
,產品特點
最高效率:94% 最高工作頻率:300KHz 低
關鍵詞: 所屬欄目:集成塊資料
鋰電池充放電管理 (輸入5V輸出1.5V)ZCC5600
關鍵詞: 所屬欄目:電源電路
CS5092 5V充雙節鋰電充電管理IC解決方案
深圳市永阜康科技有限公司推出針對8.4V雙節鋰電池,推廣一顆采用SOT23-6極簡封裝、固定0.85A充電電流升壓型充電管理IC-CS5092,該芯片是現階段同類型產品中最少管腳、外圍元件最少的,非常適合應用于藍牙音響、玩具、手持打印機、無人機、電動工具等產品領域。
關鍵詞: 所屬欄目:電源電路
日光燈12V電源電路
該高壓電源可以使日光燈在12V電壓下工作,即使該燈管的燈絲有缺陷。本質上它是個用于激勵自制自偶變壓器的振蕩器。T1層繞在一根直徑5/16、長17/8的鐵氧體磁棒上。S2是一種選擇性的燈絲開關
關鍵詞: 所屬欄目:電路圖
12V升30V大功率2x100W雙聲道D類音頻功放升壓組合解決方
隨著技術進步及競爭加劇,市場對功率及音質的要求也越來越高,深圳市永阜康科技有限公司推出基于CS8683+FP5207、12V升30V大功率2x100W雙聲道D類音頻功放升壓組合解決方案,為音頻愛好者提供極致的音質體驗。
關鍵詞: 所屬欄目:車載功放電路
5V升21V充電芯片
5V升壓充電21V五節鋰電池升壓充電管理芯片HU5911
關鍵詞: 所屬欄目:集成塊資料
5V升壓8.4V充電芯片
HU5810A是一款5V升壓8.4V充電芯片
關鍵詞: 所屬欄目:集成塊資料
5V升壓16.8V充電芯片
HU5912是一款5V升壓16.8V充電芯片,最大充電電流4A在多串鋰電池方案廣泛
關鍵詞: 所屬欄目:集成塊資料
HT7180 3.7V升12V/2A內置MOS大電流升壓IC解決方案
針對升壓值13V以下的DC-DC升壓應用需求,推廣一款集成10A開關管的12.8V輸出、大電流非同步DC-DC升壓IC:HT7180。HT7180采用獨到的電路研發技術以及先進的半導體工藝制程,基于SOP8封裝,工作效率高達90%以上,無需外加散熱器,3.7V輸入升壓到12V,可穩定輸出2A電流。
關鍵詞: 所屬欄目:電源電路
HT7179 12V升24V內置MOS大電流升壓IC解決方案
深圳市永阜康科技有限公司針對大功率的DC-DC升壓應用需求,推廣一款集成15A開關管的26.8V、120W輸出、大電流非同步DC-DC升壓IC-HT7179。HT7179采用獨到的電路研發技術以及先進的半導體工藝,重載時高達93%以上的工作效率,無需外加散熱器,升壓到26.8V,可穩定輸出120W。
關鍵詞: 所屬欄目:電源電路
DRV8837 12V單通道全橋電機驅動芯片替代料GC8837
GC8837是一款12V直流電機驅動芯片,為攝像機,消費類產品,玩具和其他低壓或者電池供電的運動控制類應用提供了集成的電機驅動解決方案。芯片一般用了驅動一個直流電機或者使用兩顆來驅動步進電機。
GC8837可以工作在0-12V的電源電壓上,能提供高達1.5A持續輸出或則2A峰值電流,睡眠模式功耗小于1Ua.
GC8837具有PWM(IN/IN)輸入接口與行業標準器件兼容,并具有過溫保護功能,芯片集成了過溫保護,欠壓保護,短路保護,過流保護等功能
芯片特點
關鍵詞: 所屬欄目:集成塊資料
FP6276可過EMI版本升壓芯片
關鍵詞: 所屬欄目:元器件知識
12V轉5V降壓芯片,12V轉3.3V穩壓芯片電路圖
12V轉5V應用中,大多要求會輸出電流高的,穩壓LDO就不能滿足了,需要使用DC-DC降壓芯片來持續穩壓5V,輸出電流1000MA,2000MA,3000MA,5000MA等。不同的輸出電流可以選擇適
關鍵詞: 所屬欄目:元器件知識
5V降壓轉3.3V,5V轉3V電路圖芯片
5V降壓轉3.3V和3V都是低壓,兩個之間的壓差效率,所以效率和工作溫度這塊都會比較優秀,輸入和輸出的最低壓差外是越小越好。
如果電流比較小,可以用LDO:PW6566 系列是
關鍵詞: 所屬欄目:元器件知識