TL494是一種固定頻率脈寬調制電路,它包含了開關電源控制所需的全部功能,廣泛應用于單端正激雙管式、半橋式、全橋式開關電源。TL494有SO-16和PDIP" />
48V3A開關電源電路
TL494是一種固定頻率脈寬調制電路,它包含了開關電源控制所需的全部功能,廣泛應用于單端正激雙管式、半橋式、全橋式開關電源。TL494有SO-16和PDIP-16兩種封裝形式,以適應不同場合的要求。其主要特性如下:
主要特征:
集成了全部的脈寬調制電路;
片內置線性鋸齒波振蕩器,外置振蕩元件僅兩個(一個電阻和一個電容);
內置誤差放大器;
內止5V參考基準電壓源;
可調整死區時間;
內置功率晶體管可提供500mA的驅動能力;
推或拉兩種輸出方式。

48V3A switching power supply circuit
TL494 is a fixed frequency pulse width modulation circuit, which contains all the functions required for switching power supply control, and is widely used in single-ended forward dual-tube, half-bridge, and full-bridge switching power supplies. TL494 is available in SO-16 and PDIP-16 packages to meet the requirements of different occasions. Its main characteristics are as follows:
main features:
integrates all pulse width modulation circuits;
has a built-in linear sawtooth oscillator and only two external oscillator components (a resistor and a capacitor);
Built-in error amplifier;
Within 5V reference reference voltage source;
The dead time can be adjusted;
Built-in power transistor can provide 500mA drive capacity;
Push or pull two output modes.
本文地址:http://m.zskn.com.cn/kaiguandianyuan/15979077323952.shtml
本文標簽:
猜你感興趣:
PL2733A 寬范圍同步降壓控制器
關鍵詞: 所屬欄目:元器件知識
PL5353A 單電池鋰離子/聚合物電池保護集成電路
關鍵詞: 所屬欄目:元器件知識
FR9608 3A同步降壓DC/DC轉換器
關鍵詞: 所屬欄目:元器件知識
FR9206 SOT23-6 3A同步降壓芯片 DC-DC轉換器
關鍵詞: 所屬欄目:集成塊資料
FR9206F 18V、3A同步降壓DC/DC轉換器
關鍵詞: 所屬欄目:集成塊資料
FP6373AS6CTR芯片具有內部軟啟動限制涌入電流的特點,
概述:
FP6373A是一種高效率的1MHz同步降壓DC-DC調節器,能夠輸出電流敢達3A。FP6373A在2.7V至5.5V,集成主開關和同步切換到非常低的RDS(ON),以最小化傳導損耗。輸出電
關鍵詞: 所屬欄目:元器件知識
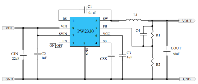
3A,4.5V-30V輸入,同步降壓調節器PW2330
一般說明
PW2330開發了一種高效率的同步降壓DC-DC變換器3A輸出電流。PW2330在4.5V到30V的寬輸入電壓范圍內工作集成主開關和同步開關,具有非常低的RDS(ON)以最小化傳導損
關鍵詞: 所屬欄目:元器件知識
簡單自制tl494逆變器電路圖50hz輸出,大功率
簡單自制tl494逆變器電路圖50hz輸出,大功率輸出,
逆變器(inverter)是把直流電能(電池、蓄電瓶)轉變成交流電(一般為220v50HZ正弦或方波)。應急電源,一般是把直流
關鍵詞:逆變器穩壓電路 所屬欄目:逆變器電路圖
簡單自制tl494逆變器電路圖50hz輸出,大功率
簡單自制tl494逆變器電路圖50hz輸出,大功率輸出,
逆變器(inverter)是把直流電能(電池、蓄電瓶)轉變成交流電(一般為220v50HZ正弦或方波)。應急電源,一般是把直流
關鍵詞:逆變器穩壓電路 所屬欄目:逆變器電路圖
雅迪48v20a充電器電路圖
雅迪48v20a充電器電路圖
充電器主要作用就是將交流AC220V電源轉換成固定的直流穩壓電源,在用直流電源給電動車進行充電,充電器的主要電路其實就是一個開關電源,和其他
關鍵詞:充電器電路圖 所屬欄目:電源電路
雅迪sp120一48v充電器電路圖
雅迪sp120一48v充電器電路圖
充電器主要由塑料外殼、輸出插頭、輸入插頭等組成。充電器上有指示燈,同時作為電源指示和充電指示使用,使用時先插上充電的輸出插頭,再插上
關鍵詞:充電器電路圖直流穩壓電源開關穩壓電源 所屬欄目:電源電路
愛瑪電動車48v充電器電路圖
愛瑪電動車48V充電器電路就是一個開關電源,將220V交流電轉換成48V直流電源進行充電的一個過程,從整個電路來看,和其他一些品牌的充電器基本上相差不大,主要看控制芯片。工作原理大致相同。
關鍵詞:充電器電路圖 所屬欄目:開關電源電路圖
48V電動車充電器電路圖
48V電動車充電器電路圖:在眾多的出行方式中,電動車綠色環保、經濟實惠,使用方便及操作簡單等優點,其中48V電動車使用者數量巨大,那么48V電動車充電器是必不可少的充電設備。當電動車充電器出現故障后一般都是可以通過維修的方式來恢復正常功能的,要想維修48V電動車充電器就必須先了解電動車充電器電路圖及原理,下面就常用的TL494集成電路介紹一下工作原理。
關鍵詞:開關穩壓電源充電器電路圖 所屬欄目:電源電路
電動車ka3842a充電器電路圖、48V充電電路
電動車ka3842a充電器電路圖、48V充電電路在電動車48V充電器電路中,使用ka3842a集成電路控制開關電源工作很多,當然也有一部分是使用tl494來控制,還不清楚ka3842a集成電路引
關鍵詞:開關穩壓電源充電器電路圖穩壓集成電路 所屬欄目:開關電源電路圖
TL494開關電源電路圖
TL494開關電源電路圖
VMOS管開關電源應用電路如圖所示,設計為一種采用TL494開關集成電路元件作為控制電路的推挽式開關電源。在圖中,TL494用作電源的控制電路,除了作為
關鍵詞:穩壓集成電路穩壓電源 所屬欄目:開關電源電路圖
TL494搭建的PWM直流電機調速電路
TL494搭建的PWM直流電機調速電路.下圖為使用TL494搭建的PWM直流電機調速電路.電路看起來復雜些,使用兩只場效應管并聯驅動輸出,可驅動功率較大的電機.
關鍵詞:電機控制穩壓集成電路 所屬欄目:電子制作
動力系統中增加48V直流(DC)總線(圖文)
目前混動汽車(HEV)和純電動汽車(EV)的設計非常引人注目,但是汽車行業也有一個不太明顯但是意義重大的發展趨勢:在動力系統中增加48V直流(DC)總線。48V不僅適用于混動
關鍵詞: 所屬欄目:其他文章
48V開關電源電路圖
48V開關電源電路圖
關鍵詞: 所屬欄目:開關電源電路圖
ULN2003A引腳圖及應用電路
無
關鍵詞: 所屬欄目:集成塊資料
基于TL494 62.4V/10A充電機原理剖析